Elyrion

Стильный и просторный двухэтажный дом со вторым светом. Для проживания семьи из 3-4 человек.

Площадь 291.2 м²
Размер 14x14 м
Этажность 2 этажа
Кол-во спален 3
Кол-во санузлов 2
Обсудить проект
Оставить заявку
О проекте
Двухэтажный деревянный дом из клееного бруса - стильное решение в функциональном пространстве для вашей семьи.

Резные перила и фактура дерева передают колорит загородной жизни. Пространство первого этажа - зона совместного отдыха и общения с близкими. Отдельная гостевая позволяет комфортно проводить встречи с друзьями. Продолжить общение наслаждаясь природой и свежим воздухом можно на одной из двух просторных террас.
Спальни на втором этаже - зона уединенного отдыха.

П151 - колоритное пространство, где ваша семья сможет насладиться жизнью на природе.
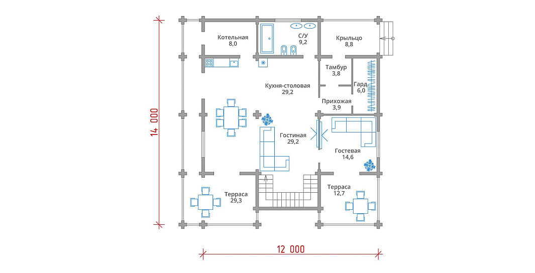
Планировка
Воплощая все пожелания мы работаем индивидуально над каждой задачей. Учитывая ваши потребности готовы внести изменения в каждый проект.
Комплектации
Фундамент

Фундамент: железобетонные забивные сваи 150х150 с оголовком по спец. заказу Рубкофф Ростверк 200х200 лиственница (антисептированный), геология и привязка: все включено.

Конструктив

Конструктив: из клееного бруса 200х185 (экспортный клей, европейская сертификация). Лаги этажей, все необходимые материалы (включая узлы силы, rothoblaas – включены). Сверловка под скрытую электрику, чаши, вертикальный транспорт: включено

Высота этажей

Высота этажей: не менее 2.8–2.9м чистовая высота первого этажа, не менее 1.6м аттиковый подъем (у одноэтажных домов: не менее 2.6м минимальный подъем).

Стропильная система

Стропильная система: сухая строганная.

Кровля

Кровля: металлочерепица (см примечание в нюансах) с утеплением 200мм (Paroc Extra Финляндия), снегозадержатели, водосточная система: включена.

Логистика и работа включены

Логистика и работа:
Выезды прораба Трансфер бригад
Доставка материала
Работы по погрузке и разгрузке
Вывоз строительного мусора
Доставка БИОтуалета, бытовки

Энергосберегающие окна

Энергосберегающие окна: VEKA 70 мм с ламинацией.

Отделка черновая

Отделка черновая: Проектирование инженерных сетей. Монтаж инженерных систем. Сервис газовых котлов и коммуникаций. Электротехнические работы включая установку конечного сертифицированного оборудования. Финишная стяжка под плитку/керамогранит и фанера под инженерную доску/паркет.

Инженерные сети

Инженерные сети: Отопление, вентиляция, водоснабжение, канализация и электрика

Внешняя чистовая отделка

Внешняя чистовая отделка: покраска и герметизация дома, монтаж и подшив свесов кровли, укладку полов и террас, установку наличников и иные работы для доведения дома под ключ.

Внутренняя чистовая отделка

Внутренняя чистовая отделка: подшив потолков, укладку полов, финишное покрытие стен, точечных светильников, розеток и выключателей.

Мебель и сантехника

Мебель и сантехника: авторская мебель из качественной древесины и сантехника согласно дизайн проекту.

Холодный контур
от 55 000 ₽ за м2
Заказать
Тёплый контур
от 60 000 ₽ за м2
Заказать
White box
Индивидуально
Заказать
Под тапочки
Индивидуально
Заказать
Визуализация
Работа с эскизным проектом — процесс определения наиболее успешных, качественных и функциональных решений. Составление четкой документации позволяет подробно отразить каждый этап работ и обеспечить прозрачность в процессе реализации проекта.

Кухня гостиная

Особенно великолепен здесь открытый план кухни-гостинной, через которую открывается вид на террасу и природу за окном.

Спальня

В доме есть четыре просторные спальни, каждый член семьи будет чувствовать себя комфортно.

В нашем Telegram-канале
мы рассказываем все
о строительствеПодписаться

Санузел

Главное для ванной комнаты — удобство и функциональность. Это место, где мы не просто совершаем ежедневные гигиенические ритуалы «на автомате».

Оставьте заявку,
и получите бесплатнуюконсультацию архитектора
Оставьте заявку, и получите  бесплатную консультацию архитектора

Нажимая на кнопку вы соглашаетесь с условиями политики конфиденциальности и обработки персональных данных

Похожие проекты
Мы используем cookies
Этот сайт использует файлы cookies для обеспечения удобства пользователей, анализа трафика и персонализации контента. Продолжая пользоваться сайтом, вы соглашаетесь с использованием файлов cookies.
Подробнее
Рубкофф - это более 750 построенных домов в Москве и МО
  1. Строим под тапочки - с внутренней отделкой, меблировкой и ландшафтным дизайном
  2. Нажимая «Продолжить» или закрывая форму, вы соглашаетесь с использованием cookie-файлов и обработкой персональных данных
x